Пластина крепежная DKC 30015K GSV H100 (4 шт.) в комплекте с метизами, необходимыми для монтажа
Описание
Пластина крепежная DKC 30014K GSV H80 (4 шт.) в комплекте с метизами, необходимыми для монтажа
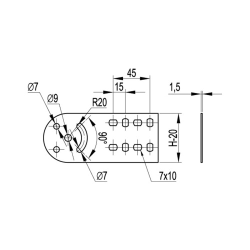
Система листовых лотков "S5 Combitech" включает в себя не только сами лотки, но также аксессуары, которые позволяют проектировать и строить сложные кабельные трассы нестандартного конструктива. Крепежная пластина GSV - это шарнирный соединитель для лотков, применение которого позволяет поменять уровень прокладки трассы, наклонив ее под произвольным углом (угол регулируется движением болта по дугообразному пазу). Пластина закрепляется на боковых стенках лотка гайками с насечками М6 и винтами М6х10.
Исполнение аксессуара - "сталь, оцинкованная по методу Сендзимира". Пластина подходит для применения с лотками высотой 100 мм и шириной от 50 до 600 мм. В комплект входят 4 пластины и включены необходимые для монтажа метизы.
Система листовых лотков "S5 Combitech" включает в себя не только сами лотки, но также аксессуары, которые позволяют проектировать и строить сложные кабельные трассы нестандартного конструктива. Крепежная пластина GSV - это шарнирный соединитель для лотков, применение которого позволяет поменять уровень прокладки трассы, наклонив ее под произвольным углом (угол регулируется движением болта по дугообразному пазу). Пластина закрепляется на боковых стенках лотка гайками с насечками М6 и винтами М6х10.
Исполнение аксессуара - "сталь, оцинкованная по методу Сендзимира". Пластина подходит для применения с лотками высотой 100 мм и шириной от 50 до 600 мм. В комплект входят 4 пластины и включены необходимые для монтажа метизы.
Характеристики
Цвет
серый
Бренд
ДКС
Артикул
30015K
Штрихкод
4690309537466
Гарантия
1 год
Новинка
Нет
Объём
0.000279
Снижена цена
Да
Материал
Сталь
Вес
0.56 кг
Отзывы

Популярные товары
Веб-камера Hikvision DS-U12 (2MP CMOS Sensor0.1Lux @ (F1.2,AGC ON),Built-in Mic,USB 2.0,19201080@30/25fps,3.6mm Fixed Lens, кабель 2м, Windows 7/10, Android, Linux, macOS)Цена по запросу
Планшет Xiaomi Pad 6 8GB RAM 128GB ROM Mist Blue
Ноутбук MSI Katana 15 B13VGK 15.6" FHD 144Hz i7-13620H 16GB 1TB RTX4070 DOS
























































































































































































































































